ওয়েনঝো জোপেই ভালভ কোং, লিমিটেড
ওয়েনঝো জোপেই ভালভ কোং, লিমিটেড
খবর

খবর

JOEPAI নতুন খরচ-কার্যকর স্টেইনলেস স্টীল 304 ফায়ার হাইড্র্যান্ট ভালভ চালু করেছে - সুপিরিয়র ক্ষয় প্রতিরোধ ক্ষমতা AS2419.2 মান পূরণ করে

জোপাইঅগ্নি সুরক্ষা অবকাঠামোতে তার সর্বশেষ উদ্ভাবন চালু করতে পেরে গর্বিত:এর নতুন পরিসরস্টেইনলেস স্টীল 304 ফায়ার হাইড্রেন্ট ভালভ. স্থায়িত্ব, সম্মতি এবং মূল্যের জন্য প্রকৌশলী, এই ভালভগুলি একটি অফার করেঐতিহ্যগত পিতল মডেলের উচ্চতর বিকল্প— আরো প্রতিযোগিতামূলক মূল্য পয়েন্টে বর্ধিত জারা প্রতিরোধের প্রদান।

অনুযায়ী ডিজাইন করা হয়েছেAS/NZS 2419.2:2009, নতুন হাইড্রেন্ট ভালভগুলি বাণিজ্যিক, শিল্প এবং আবাসিক ফায়ার সিস্টেম সহ বিস্তৃত অ্যাপ্লিকেশনের জন্য আদর্শ, বিশেষ করেআক্রমনাত্মক পরিবেশ যেমন সামুদ্রিক এবং খনির.


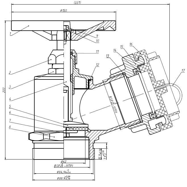
Stainless Steel 304 Fire Hydrant Valves

পণ্য হাইলাইট:

থ্রেড টাইপ: কোণযুক্ত 65mm BSP নকল Storz অ্যাডাপ্টার UV প্লাস্টিক ক্যাপ সহ

ইনলেট টাইপ: 80 মিমি রোল খাঁজকাটা

উপাদান গ্রেড: বডি, বনেট, ডিস্ক, CF8 (SS304) এ বাদাম; বর্ধিত শক্তির জন্য SS316 এ স্টেম

সীল উপাদান: নির্ভরযোগ্য লিক-প্রুফ কর্মক্ষমতা জন্য NBR রাবার

হ্যান্ডহুইল: টেকসই HT200 ঢালাই লোহা

শেষ করুন: উচ্চ-দৃশ্যমান লাল আঁকা আবরণ

কাজের চাপ: 1,400 kPa

হাইড্রোস্ট্যাটিক পরীক্ষার চাপ: 2,700 kPa

এয়ার টাইটনেস টেস্ট প্রেসার: 800 kPa

ওয়ারেন্টি: 12 মাস


প্রযুক্তিগত সম্মতি:

পরিকল্পিত এবং পরীক্ষিতAS2419.2-2009

সমাবেশের পরে কোন জ্যামিং ছাড়াই মসৃণ হ্যান্ডহুইল অপারেশন

100% পরিদর্শন এবং পরীক্ষিত - হাইড্রোস্ট্যাটিক এবং বায়ু সংকীর্ণতা পরীক্ষার পরে কোন ত্রুটি নেই


কেন পিতলের উপর SS304 চয়ন করুন?

উন্নত জারা প্রতিরোধের: কঠোর পরিবেশের জন্য আদর্শ যেখানে পিতল সময়ের সাথে সাথে ক্ষয় হতে পারে

খরচ-কার্যকর: গুণমান বা কর্মক্ষমতার সাথে আপস না করে একটি আরো সাশ্রয়ী মূল্যের সমাধান অফার করে৷

লাইটওয়েট তবুও শক্তিশালী: কাঠামোগত অখণ্ডতা বজায় রাখার সময় পরিচালনা এবং ইনস্টল করা সহজ


অন্যান্য উপলব্ধ কনফিগারেশন:

65mm NSW পুরুষ x 80mm রোল খাঁজকাটা

65mm CFA পুরুষ x 80mm রোল খাঁজকাটা

65mm QRT পুরুষ x 65mm পুরুষ BSP

65mm BI x 80mm রোল খাঁজকাটা

65mm QRT পুরুষ x 80mm রোল খাঁজকাটা

65mm Storz অ্যাডাপ্টার x 65mm পুরুষ BSP

আপনি একটি বিদ্যমান সিস্টেম আপগ্রেড করছেন বা একটি নতুন প্রকল্পের জন্য নির্দিষ্ট করছেন, JOEPAI এর নতুন SS304 হাইড্রেন্ট ভালভগুলি অফার করেকর্মক্ষমতা, সম্মতি, এবং সামর্থ্যের নিখুঁত ভারসাম্য.

আজ আমাদের সাথে যোগাযোগ করুনআরও জানতে বা একটি উদ্ধৃতি অনুরোধ করতে.

সম্পর্কিত খবর
আমাকে একটি বার্তা ছেড়ে দিন
সংবাদ সুপারিশ
X
আমরা আপনাকে একটি ভাল ব্রাউজিং অভিজ্ঞতা দিতে, সাইটের ট্র্যাফিক বিশ্লেষণ করতে এবং সামগ্রী ব্যক্তিগতকৃত করতে কুকিজ ব্যবহার করি। এই সাইটটি ব্যবহার করে, আপনি আমাদের কুকিজ ব্যবহারে সম্মত হন। গোপনীয়তা নীতি
প্রত্যাখ্যান করুন গ্রহণ করুন