ওয়েনঝো জোপেই ভালভ কোং, লিমিটেড
ওয়েনঝো জোপেই ভালভ কোং, লিমিটেড
খবর

খবর

কেন আমাদের খরচ-কার্যকর 3-পিস নকল ইস্পাত উচ্চ-চাপ বল ভালভ একটি ভাল পছন্দ?

একটি 3-পিস নকল ইস্পাত উচ্চ-চাপ বল ভালভ কি?

A 3-পিস নকল ইস্পাত উচ্চ চাপ বল ভালভএকটি উচ্চ-শক্তির বল ভালভকে বোঝায় যা বোল্ট দ্বারা সংযুক্ত একটি থ্রি-পিস বডি স্ট্রাকচার সহ। এর ক্লোজিং এলিমেন্ট হল একটি সুনির্দিষ্টভাবে মেশিন করা বল, যা ভালভ স্টেম দ্বারা ভালভ বডির কেন্দ্ররেখার চারপাশে ঘোরানো হয় যাতে মাধ্যমের দ্রুত শাট-অফ, ডিস্ট্রিবিউশন বা ফ্লো স্যুইচিং করা যায়।


পণ্য বিবরণ

3-পিস নকল ইস্পাত বল ভালভ পরিচালনা করা সহজ, কমপ্যাক্ট, নির্ভরযোগ্যভাবে সিল করা, গঠন সহজ, এবং বজায় রাখা সহজ। সিলিং পৃষ্ঠ এবং বল সবসময় একটি বদ্ধ অবস্থায় থাকে, যা মাঝারি দ্বারা ক্ষয়ের জন্য কম সংবেদনশীল করে তোলে। এগুলি বিভিন্ন শিল্পে ব্যাপকভাবে ব্যবহৃত হয়।

ভালভ বডি একটি ফোরজিং প্রক্রিয়া ব্যবহার করে গঠিত হয় এবং উপাদানটি স্টেইনলেস স্টিল (যেমন F304, F316) বা কার্বন ইস্পাত (যেমন A105) হতে পারে। নকল ইস্পাত উপকরণগুলির বৈশিষ্ট্য রয়েছে যেমন ঘন গঠন, চমৎকার যান্ত্রিক বৈশিষ্ট্য এবং শক্তিশালী প্রভাব প্রতিরোধের, যা এগুলিকে উচ্চ-চাপ এবং উচ্চ-শক্তির কাজের অবস্থার জন্য বিশেষভাবে উপযুক্ত করে তোলে।

পাইপলাইন সিস্টেমের চাহিদা অনুযায়ী, বিভিন্ন সংযোগ পদ্ধতি নির্বাচন করা যেতে পারে, যেমন থ্রেডেড সংযোগ(NPT,BSP-P(G),BSPT(Rc)), বাট ওয়েল্ডিং (BW), সকেট ওয়েল্ডিন ​​(SW)g, বা ফ্ল্যাঞ্জ সংযোগ, নমনীয় ইনস্টলেশন এবং শক্তিশালী অভিযোজনযোগ্যতা প্রদান করে।

ডিজাইনের চাপ 1500LB পর্যন্ত পৌঁছাতে পারে, এটি পেট্রোলিয়াম, রাসায়নিক শিল্প এবং প্রাকৃতিক গ্যাসের মতো ক্ষেত্রে উচ্চ-চাপের পরিবহন ব্যবস্থার জন্য উপযুক্ত করে তোলে।


3-পিস নকল ইস্পাত বল ভালভ মান:

1) ডিজাইন এবং ম্যানুফ্যাকচারিং স্ট্যান্ডার্ড: BS5351, MSS SP-118

2) সংযোগের শেষ মাত্রা: ANSI B16.10, JB/T1715

সকেট ওয়েল্ড শেষ মাত্রা: ANSI B16.11, JB/T1715

থ্রেডেড শেষ মাত্রা: ANSI B1.12.1, JB/T7306

বাট ওয়েল্ড শেষ মাত্রা: ANSI B16.25, JB/T12224

3) পরীক্ষা এবং পরিদর্শন: API 598

4) উপাদান মান: ANSI/ASTM


3-Piece Forged Steel High-pressure Ball Valve


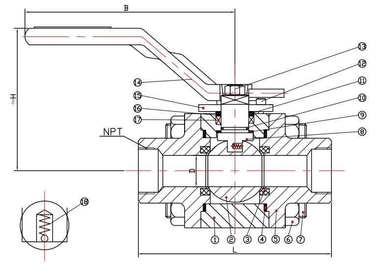
প্রধান উপাদান টেবিল:

না. অংশের নাম কার্বন ইস্পাত স্টেইনলেস স্টীল
1 শরীর A105 F304 F304L F316 F316L
2 বল SS304 F304 SS304L SS316 SS316L
3 আসন PTFE 、RPTFE
4 গ্যাসকেট SS304/SS316 + গ্রাফাইট
5 ক্যাপ A105 F304 F304L F316 F316L
6 বাদাম A194-2H A194-8 A194-8M
7 বোল্ট A193-B7 A193-B8 A193-B8M
8 কান্ড SS304 F304 SS304L SS316 SS316L
9 থ্রাস্ট ওয়াশার PTFE 、RPTFE
10 ও-রিং ভিটন
11 গ্রন্থি SS304 SS304 SS304 SS316 SS316
12 বোল্ট 1035
13 বাদাম স্টেইনলেস স্টীল
14 হ্যান্ডেল WCB, স্টেইনলেস স্টীল
15 সীমিত প্লেট 1025
16 ফায়ার রিং প্রতিরোধ করুন SS304, SS316
17 প্যাকিং গ্রাফাইট
18 বসন্ত SS304, SS316


প্রধান মাত্রা টেবিল:

DN মিমি NPS(ইঞ্চি) এল মিমি ডি মিমি H মিমি
15 1/2” 92 13 66
20 3/4” 112 19 72
25 1” 126 24 100
32 11/4” 129 30 105
40 11/2” 152 38 112
50 2” 176 49 122


3-Piece Forged Steel High-pressure Ball Valve3-Piece Forged Steel High-pressure Ball Valve3-Piece Forged Steel High-pressure Ball Valve3-Piece Forged Steel High-pressure Ball Valve



প্রফেশনাল ম্যানুফ্যাকচারিং গ্যারান্টি – ওয়েনঝো জোপেই ভালভ কোং, লিমিটেড।

স্টেইনলেস স্টীল এবং কার্বন স্টিল বল ভালভের গবেষণা, উন্নয়ন এবং উত্পাদনে বিশেষজ্ঞ একটি কোম্পানি হিসাবে,ওয়েনঝো জোপেই ভালভ কোং, লিমিটেডলংওয়ান জেলার বিনহাই ইন্ডাস্ট্রিয়াল পার্ক, ওয়েনজুতে অবস্থিত, যা "চীনের ভালভ সিটি" নামে পরিচিত। কোম্পানি একটি আধুনিক উত্পাদন ভিত্তি এবং একটি ব্যাপক মান নিয়ন্ত্রণ ব্যবস্থা boasts. কোম্পানির সাথে সজ্জিত:

পেশাদার R&D কেন্দ্র এবং CNC মেশিনিং সরঞ্জাম

উন্নত পরীক্ষার যন্ত্র (যেমন কম্পিউটার বহু-উপাদান বিশ্লেষণ যন্ত্র, লিব কঠোরতা পরীক্ষক, এবং বেধ পরিমাপক)

প্রেসার টেস্টিং মেশিন, লাইফ সাইকেল টেস্টিং মেশিন এবং অন্যান্য পূর্ণ-প্রক্রিয়া টেস্টিং প্ল্যাটফর্ম

কঠোর প্রক্রিয়া এবং ক্রমাগত উদ্ভাবনের উপর নির্ভর করে, জোপেই ভালভ নিশ্চিত করে যে প্রতিটি 3PC নকল ইস্পাত উচ্চ-চাপ বল ভালভ উচ্চ-মানের কর্মক্ষমতা প্রয়োজনীয়তা পূরণ করে, গ্রাহকদের নিরাপদ, নির্ভরযোগ্য, এবং প্রদান করেটেকসই ভালভ সমাধান.


সম্পর্কিত খবর
আমাকে একটি বার্তা ছেড়ে দিন
সংবাদ সুপারিশ
X
আমরা আপনাকে একটি ভাল ব্রাউজিং অভিজ্ঞতা দিতে, সাইটের ট্র্যাফিক বিশ্লেষণ করতে এবং সামগ্রী ব্যক্তিগতকৃত করতে কুকিজ ব্যবহার করি। এই সাইটটি ব্যবহার করে, আপনি আমাদের কুকিজ ব্যবহারে সম্মত হন। গোপনীয়তা নীতি
প্রত্যাখ্যান করুন গ্রহণ করুন